Zum Hauptinhalt springen
Menü
Bauingenieurhilfen
Startseite
Baustastik
Einfeldträger
Rahmensysteme
Zweigelenkrahmen
Allgemeine Ebene Stabwerke
FEM
Stahlbau
Profilabmessungen I-Profile
Querschnittswerte I-Profile
Kontakt
Impressum
Datenschutzerklärung
System
Profilabmessungen I-Profile
Querschnittswerte I-Profile
Profilabmessungen
IPE200
IPE80
IPE100
IPE120
IPE140
IPE160
IPE180
IPE200
IPE220
IPE240
IPE270
IPE300
IPE330
IPE360
IPE400
IPE450
IPE500
IPE550
IPE600
IPEa120
IPEa140
IPEa160
IPEa180
IPEa200
IPEa220
IPEa240
IPEa270
IPEa300
IPEa330
IPEa360
IPEa400
IPEa450
IPEa500
IPEa550
IPEa600
IPEo180
IPEo200
IPEo220
IPEo240
IPEo270
IPEo300
IPEo330
IPEo360
IPEo400
IPEo450
IPEo500
IPEo550
IPEo600
IPEv400
IPEv450
IPEv500
IPEv550
IPEv600
HEAA100
HEAA120
HEAA140
HEAA160
HEAA180
HEAA200
HEAA220
HEAA240
HEAA260
HEAA280
HEAA300
HEAA320
HEAA340
HEAA360
HEAA400
HEAA450
HEAA500
HEAA550
HEAA600
HEAA650
HEAA700
HEAA800
HEAA900
HEAA1000
HEA100
HEA120
HEA140
HEA160
HEA180
HEA200
HEA220
HEA240
HEA260
HEA280
HEA300
HEA320
HEA340
HEA360
HEA400
HEA450
HEA500
HEA550
HEA600
HEA650
HEA700
HEA800
HEA900
HEA1000
HEB100
HEB120
HEB140
HEB160
HEB180
HEB200
HEB220
HEB240
HEB260
HEB280
HEB300
HEB320
HEB340
HEB360
HEB400
HEB450
HEB500
HEB550
HEB600
HEB650
HEB700
HEB800
HEB900
HEB1000
HEM100
HEM120
HEM140
HEM160
HEM180
HEM200
HEM220
HEM240
HEM260
HEM280
HEM300
HEM320
HEM340
HEM360
HEM400
HEM450
HEM500
HEM550
HEM600
HEM650
HEM700
HEM800
HEM900
HEM1000
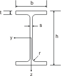
Profil:
h =
200
mm
b =
100
mm
s =
5.6
mm
t =
8.5
mm
r =
12
mm
A =